DuraMac ZQC4315 Other Transfer Cases
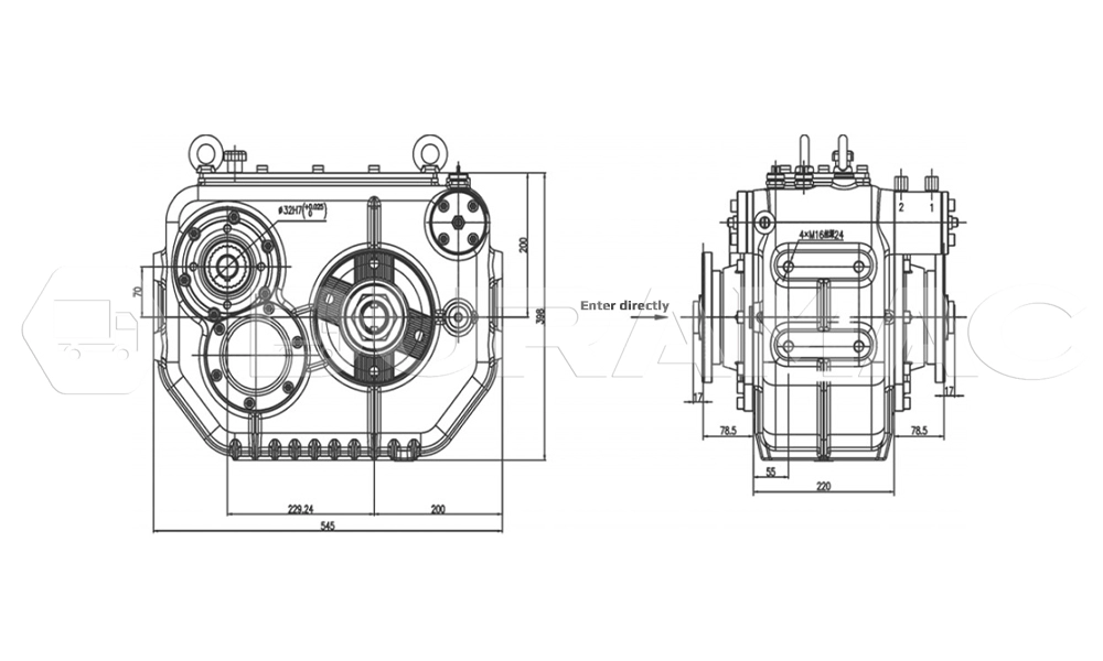
The ZQC4315 transfer case is tailored for truck cranes and specialized application scenarios, with a maximum input torque of 3000 Nm for direct drive and 1100 Nm for motor drive, a maximum input speed of 2500 rpm for direct drive and 3500 rpm for motor drive, and a motor-driven ratio of 14.62.
Equipped with a dual self-locking shift mechanism, it ensures stable gear changes and supports multiple transmission modes. Boasting wide torque and speed ranges, it is adaptable to various specialized equipment with broad industrial coverage. It also features low noise, minimal temperature rise, high transmission efficiency and low maintenance costs.
As part of SinoMac, DuraMac provides complete powertrain that integrated with DCEC engine, Fast-Eaton clutch, FAST-CAT transmission, Dongfeng-DANA axle and Komman air suspension, while the electrification of automobile is the certain future, DuraMac also get involved with EV powertrain system.
We provide full life cycle services for all customers, from design to power system supply, from installation to commissioning, from after-sales service training to spare parts supply, from trouble shooting to overhaul technical support.
Advantages of ZQC4315 Other Transfer Cases
Custom-engineered for specific applications (e.g., truck cranes…) with strong equipment compatibility.
Dual self-locking mechanism ensures stable gear shifts across multiple transmission modes.
Wide torque/speed ranges provide extensive adaptability for diverse industrial use cases.
High efficiency operation with low noise, minimal heat generation, and reduced maintenance costs.
Technical Specifications
| Transfer Case Model : | ZQC4315 |
| Max Input Torque : | Direct Drive / 3000 Nm Motor / 1100 Nm |
| Max Input Speed : | Direct Drive / 2500 rpm Motor / 3500 rpm |
| Ratio : | Motor driven / 14.62 |
| Application Area : | Truck cranes |
DuraMac
DCEC ISL8.9 series automotive engine is four-strokes engine with 102 mm bore and 120 mm stroke, Equipped with Bosch (or BYC or Weifu) pump. engine comes with turbocharger and Air- Air intercooler. The prime power range is from 269 HP to 394 HP.
Fast Gear
The F6A Series Automated Transmission uses the FAST automatic transmission, has six front gears, the transmission ratio step arrangement is reasonable, has very outstanding fuel economy. Adopt hydraulic automatic transmission. The F6A Series Automated Transmission has six gears, each with a different reduction ratio.
EV Truck
Electric wheel dump trucks use electricity as a power source, completely abandoning traditional fuel engines. This change enables the vehicle to achieve true “zero emissions” during operation, without the emission of pollutants such as carbon monoxide, nitrogen oxides, and particulate matter in the exhaust gas, greatly reducing the pollution to the atmospheric environment.
DANA Axle
Applying the advanced technology of DANA with high efficiency, fuel economy, strong load torque, low noise,high reliability, lower procurement cost, low repair cost and lower maintenance cost.
Datong Gear
The Datong HW25712XSJ Heavy Manual No-Sync Gearbox has a torque of 2500 N.m, a gear ratio range of 14.941-1, an oil capacity of 13 L (13.5 L when equipped with a power take-off), an overall length of 993 mm, and a weight of 428 kg.
Crane Trucks
The DFZ5258JSQSZ6D truck crane is a powerful and versatile vehicle designed for efficient lifting and transportation tasks. Equipped with a YCS06300-61 engine and a Shaanxi Auto Fast gear : 10JS120TA high-low gear with synchronizer、PTO gearbox, it provides strong and stable power for demanding operations.
Crane Trucks
The DFZ5258JSQSZ6D truck crane is a powerful and versatile vehicle designed for efficient lifting and transportation tasks. Equipped with a YCS06300-61 engine and a Shaanxi Auto Fast gear : 10JS120TA high-low gear with synchronizer、PTO gearbox, it provides strong and stable power for demanding operations.
Crane Trucks
The DFZ5258JSQSZ6D truck crane is a powerful and versatile vehicle designed for efficient lifting and transportation tasks. Equipped with a YCS06300-61 engine and a Shaanxi Auto Fast gear : 10JS120TA high-low gear with synchronizer、PTO gearbox, it provides strong and stable power for demanding operations.
Model | Max Input Torque | Max Input Speed | Ratio | ||
| ZQC4312 | 350 Nm | 450 rpm | 6.6 | ||
| ZQC4315 | 1100 / 3000 Nm | 2500 / 3500 rpm | Motor driven / 14.62 | ||
| ZQC4316 | 2400 Nm | 3600 rpm | 3.34 | ||
| ZQC4322 | 800 / 1100 Nm | 5000 rpm | Large Motor / 1.51 | ||
| ZQC4357 | 750 Nm | 2500 rpm | High Gear / 1.02 | ||
| ZQC4363 | 200 Nm | 9000 rpm | Two Drive / 2.47 | ||
| ZQC4496 | 2200 / 32000 Nm | 2700 rpm | Travel : 1 | ||
| ZQC4497 | 2200 / 32000 Nm | 2700 rpm | Travel : 1 | ||
| ZQC4632 | 15000 Nm | 2500 rpm | Wind Turbine / 0.58 | ||
| ——END—— | |||||
General Information of DuraMac ZQC4315 | |||
|---|---|---|---|
| Transfer Case Model | ZQC4315 | Max Input Torque | Direct Drive / 3000 Nm Motor / 1100 Nm |
| Max Input Speed | Direct Drive / 2500 rpm Motor / 3500 rpm | Ratio | Motor driven / 14.62 |
| Application Area | Truck cranes | ||
| ——END—— | |||

Characteristics of Other Transfer Cases | |||
|---|---|---|---|
| Low power consumption & high efficiency design | Dual self locking shifting structure design | ||
| High-tech transfer | Specially applicable designed for boom pump truck | ||
| Low noise, low temperature rising & high carrying capacity | |||
| ——END—— | |||

Note: All Above Data are Just for Reference, All Data Might Change Without Notices or Updates, Please Contact Our Sales Team to Confirm All Details Via WhatsApp or Email.

Sale Manual

Installation Drawing

Installation Manual

Operation Manual

Parts Catalogue




