DuraMac ZQC800 Wheeled Vehicle Transfer Case
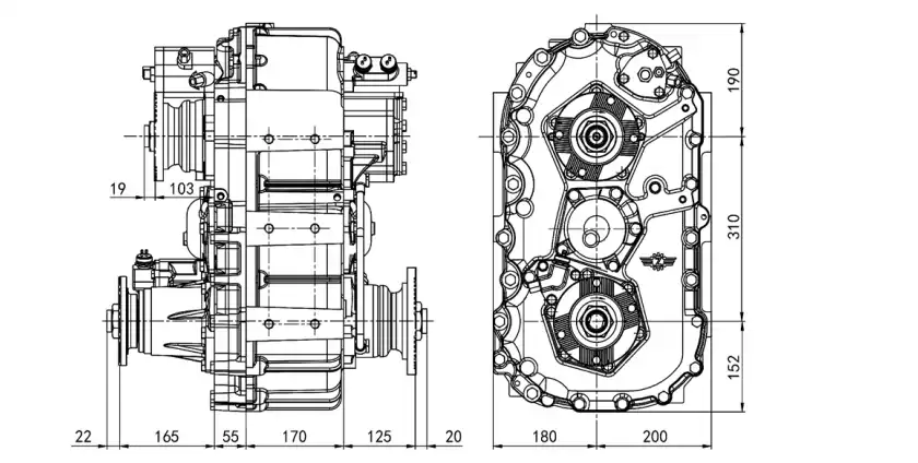
The ZQC800 is a high-performance power distribution unit designed for heavy-duty wheeled vehicles. It delivers a maximum input torque of 8000Nm and a maximum input speed of 3000rpm, with a center distance of 310mm between input and output, enabling reliable power transmission under demanding conditions.
This transfer case offers two speed ratios: 1 (on-road high gear) and 1.5 (off-road low gear), with shifting options of 3-pneumatic or 3-mechanical operation. It features front axle output with an indication switch and a torque ratio proportion of 1:12.214 for the inter-axle differential, ensuring stable performance across diverse terrains.
With an operating air pressure of 6.5–10 bar, a lubricant oil capacity of 4L, and a total weight of 142kg, it balances efficiency and compactness. Optional units include an N200 PTO or ZF8605 oil pump connection device, while input flanges are available in DIN165, DIN180, T165, and T180 specifications.
Advantages of ZQC800 Wheeled Vehicle Transfer Case
High Loading Capacity: With a maximum input torque of 8000Nm and a maximum input speed of 3000rpm, the ZQC800 ensures reliable power transmission under heavy-duty and high-load conditions, delivering consistent performance in demanding operational environments.
Built-in Lubrication Pump: The optional ZF8605 oil pump connection device, combined with a 4L lubricant oil capacity, provides efficient and continuous internal lubrication. This reduces component wear, extends service life, and maintains stable operation during prolonged use.
Inter-axle Differential: Featuring a torque ratio proportion of 1:12.214, the inter-axle differential intelligently distributes power according to road conditions. This optimizes traction and handling, significantly improving off-road capability and driving stability on complex terrains.
Pneumatic Shifting: Supporting 3-pneumatic shifting with an operating air pressure of 6.5–10 bar, the system delivers rapid and smooth gear changes. The front axle output operation with an indication switch further enhances operational convenience and driving safety.
Technical Specifications
| Max input torque: | 8000 Nm |
| Max input speed: | 3000 rpm |
| Center Distance: | 310 mm |
| Ratio (On-road/Off-road): | 1/1.5 |
| Shifting Operation: | 3-pneumatic |
| Torque Ratio Proportion: | 1 or 12.214 |
| Air Pressure: | 6.5-10 bar |
| Lubricant Oil: | 4L |
| Total weight: | 142Kg |
| Input Flange: | DIN165、DIN180、T165、T180 |
DuraMac
DCEC ISL8.9 series automotive engine is four-strokes engine with 102 mm bore and 120 mm stroke, Equipped with Bosch (or BYC or Weifu) pump. engine comes with turbocharger and Air- Air intercooler. The prime power range is from 269 HP to 394 HP.
Fast Gear
The F6A Series Automated Transmission uses the FAST automatic transmission, has six front gears, the transmission ratio step arrangement is reasonable, has very outstanding fuel economy. Adopt hydraulic automatic transmission. The F6A Series Automated Transmission has six gears, each with a different reduction ratio.
EV Truck
Electric wheel dump trucks use electricity as a power source, completely abandoning traditional fuel engines. This change enables the vehicle to achieve true “zero emissions” during operation, without the emission of pollutants such as carbon monoxide, nitrogen oxides, and particulate matter in the exhaust gas, greatly reducing the pollution to the atmospheric environment.
DANA Axle
Applying the advanced technology of DANA with high efficiency, fuel economy, strong load torque, low noise,high reliability, lower procurement cost, low repair cost and lower maintenance cost.
Datong Gear
The Datong HW25712XSJ Heavy Manual No-Sync Gearbox has a torque of 2500 N.m, a gear ratio range of 14.941-1, an oil capacity of 13 L (13.5 L when equipped with a power take-off), an overall length of 993 mm, and a weight of 428 kg.
Crane Trucks
The DFZ5258JSQSZ6D truck crane is a powerful and versatile vehicle designed for efficient lifting and transportation tasks. Equipped with a YCS06300-61 engine and a Shaanxi Auto Fast gear : 10JS120TA high-low gear with synchronizer、PTO gearbox, it provides strong and stable power for demanding operations.
Crane Trucks
The DFZ5258JSQSZ6D truck crane is a powerful and versatile vehicle designed for efficient lifting and transportation tasks. Equipped with a YCS06300-61 engine and a Shaanxi Auto Fast gear : 10JS120TA high-low gear with synchronizer、PTO gearbox, it provides strong and stable power for demanding operations.
Crane Trucks
The DFZ5258JSQSZ6D truck crane is a powerful and versatile vehicle designed for efficient lifting and transportation tasks. Equipped with a YCS06300-61 engine and a Shaanxi Auto Fast gear : 10JS120TA high-low gear with synchronizer、PTO gearbox, it provides strong and stable power for demanding operations.
| Max input torque | Max input speed | Ratio (On-road/Off-road) | Shifting Operation |
| ZQC500 | 5000 Nm | 3500 rpm | 0.91/2.08 | 3-pneumatic |
| ZQC600 | 5000 Nm | 4300 rpm | 0.95/2.12 | 3-pneumatic |
| ZQC800 | 8000 Nm | 3000 rpm | 1/1.5 | 3-pneumatic |
| ZQC1200 | 12000 Nm | 3000 rpm | 1/1.75or1.285 | 3-pneumatic |
| ZQC1600 | 18000 Nm | 2800 rpm | 0.89/1.536 | 3-pneumatic |
| ZQC2000 | 25000 Nm | 2800 rpm | 0.89 or 1/1.536 | 3-pneumatic |
| ZQC2000L | 25000 Nm | 2800 rpm | 0.89 or 1/1.536 | 3-pneumatic |
| ZQC2800 | 32000 Nm | 2800 rpm | 1.11/2.37 or 1.47 | 3-pneumatic |
| ——END—— | ||||
General Information of DuraMac ZQC800 | |||
| Max Input Torque | 8000Nm | Max Input Speed | 3000rpm |
| Center Distance | 310mm | Ratio | on-road(1)/off-road(1.5) |
| Shifting Operation | 3-pneumatic | Front Axle Output Operation | Pneu. operation with indication switch |
| Torque Ratio Proportion | 1:12.214 | Air Pressure | 6.5-10 bar |
| Lubricant Oil | 4L | Total Weight | 142Kg |
| Optional Unit | N200 PTO or connecting device for ZF8605 oil pump is optional | Input Flange | DIN180、DIN165、T180、T165 |
| ——END—— | |||

Characteristics of Wheeled Vehicle Transfer Cases | |||
|---|---|---|---|
| High loading capacity | Built-in With lubrication pump | ||
| Developed based on technology transfer from STEYR | Configured with inter-axle differential | ||
| External oil cooler connection available | Pneumatic shifting | ||
| Applicable for military off-road vehicles, desert oilfield vehicles, all terrain cranes and other wheeled vehicles. | |||
| ——END—— | |||

Note: All Above Data are Just for Reference, All Data Might Change Without Notices or Updates, Please Contact Our Sales Team to Confirm All Details Via WhatsApp or Email.

Sale Manual

Installation Drawing

Installation Manual

Operation Manual

Parts Catalogue




