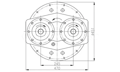
DuraMac One Input Two Output ZQC4222
ZQC4222 delivers robust core performance, with a maximum input torque of 800 N.m and a rated input speed of 2300 RPM, effortlessly meeting power transmission demands in high-intensity work scenarios. Its precision gear ratio design offers a range of optional ratios: 0.5909, 0.7073, 0.8421, and 0.9444, enabling flexible matching of power output and transmission efficiency across diverse operating conditions.
In terms of power capacity, ZQC4222 boasts a maximum input power of 193 kW, while supporting a single pump maximum power of 115 kW and a rated torque of 340 N.m, perfectly balancing centralized power input and stable hydraulic pump drive.
As part of SinoMac, DuraMac provides complete powertrain that integrated with DCEC engine, Fast-Eaton clutch, FAST-CAT transmission, Dongfeng-DANA axle and Komman air suspension, while the electrification of automobile is the certain future, DuraMac also get involved with EV powertrain system.
We provide full life cycle services for all customers, from design to power system supply, from installation to commissioning, from after-sales service training to spare parts supply, from trouble shooting to overhaul technical support.
Advantages of ZQC4222
High-tech transferred: Developed based on introduced international advanced technologies, with mature design and precision manufacturing, guaranteeing superior quality and performance.
Low power consumption & high efficiency design: Optimized transmission structure ensures sufficient power transfer, minimizes energy loss, and achieves better economic efficiency.
Reliable lubrication and heat radiation method: Equipped with stable lubrication system and efficient heat dissipation design to maintain steady operation under long-term heavy load, reducing wear and failure rate.
Low noise, low temperature rising & high carrying capacity: Precision gear meshing and robust structure enable quiet operation, low temperature rise, and strong load-bearing performance to meet high-intensity work demands.
Wide applicability: Specifically designed for hydraulic oil pump drives of construction machinery, including cranes, pavers, and other heavy-duty equipment, fitting perfectly in diverse working scenarios.
Technical Specifications
| Model: | ZQC4222 |
| Ratio: | 0.5909、0.7073、0.8421、0.9444 |
| Max Input Power: | 193 kW |
| Max Input Torque: | 800 N.m |
| Max Power of Single Pump: | 115 kW |
| Rated Torque of Single Pump: | 340 N.m |
| Rated Input Speed: | 2300 RPM |
DuraMac
DCEC ISL8.9 series automotive engine is four-strokes engine with 102 mm bore and 120 mm stroke, Equipped with Bosch (or BYC or Weifu) pump. engine comes with turbocharger and Air- Air intercooler. The prime power range is from 269 HP to 394 HP.
Fast Gear
The F6A Series Automated Transmission uses the FAST automatic transmission, has six front gears, the transmission ratio step arrangement is reasonable, has very outstanding fuel economy. Adopt hydraulic automatic transmission. The F6A Series Automated Transmission has six gears, each with a different reduction ratio.
EV Truck
Electric wheel dump trucks use electricity as a power source, completely abandoning traditional fuel engines. This change enables the vehicle to achieve true “zero emissions” during operation, without the emission of pollutants such as carbon monoxide, nitrogen oxides, and particulate matter in the exhaust gas, greatly reducing the pollution to the atmospheric environment.
DANA Axle
Applying the advanced technology of DANA with high efficiency, fuel economy, strong load torque, low noise,high reliability, lower procurement cost, low repair cost and lower maintenance cost.
Datong Gear
The Datong HW25712XSJ Heavy Manual No-Sync Gearbox has a torque of 2500 N.m, a gear ratio range of 14.941-1, an oil capacity of 13 L (13.5 L when equipped with a power take-off), an overall length of 993 mm, and a weight of 428 kg.
Crane Trucks
The DFZ5258JSQSZ6D truck crane is a powerful and versatile vehicle designed for efficient lifting and transportation tasks. Equipped with a YCS06300-61 engine and a Shaanxi Auto Fast gear : 10JS120TA high-low gear with synchronizer、PTO gearbox, it provides strong and stable power for demanding operations.
Crane Trucks
The DFZ5258JSQSZ6D truck crane is a powerful and versatile vehicle designed for efficient lifting and transportation tasks. Equipped with a YCS06300-61 engine and a Shaanxi Auto Fast gear : 10JS120TA high-low gear with synchronizer、PTO gearbox, it provides strong and stable power for demanding operations.
Crane Trucks
The DFZ5258JSQSZ6D truck crane is a powerful and versatile vehicle designed for efficient lifting and transportation tasks. Equipped with a YCS06300-61 engine and a Shaanxi Auto Fast gear : 10JS120TA high-low gear with synchronizer、PTO gearbox, it provides strong and stable power for demanding operations.
Model | Max Input Power | Max Input Torque | Ratio |
| ZQC4222 | 193 kW | 800 N.m | 0.5909、0.7073、0.8421、0.9444 |
| ZQC4223 | 320 kW | 1100 N.m | 0.7142、0.8261、0.9535、1.2105、1.3333、1.4 |
| ZQC4224 | 400 kW | 1500 N.m | 0.6552、0.7143、0.7778、1.2857、1.4、1.526 |
| ZQC4225 | 530 kW | 2300 N.m | 0.6552、0.7143、0.7778、1.2857、1.4、1.526 |
| ZQC4226 | 500 kW | 3000 N.m | 0.5283、0.5385、0.6531、0.7609、0.8837、0.9756 |
| ZQC4227 | 700 kW | 3300 N.m | 0.7090、0.7736、0.8431、1.0889、1.186、1.41 |
| ZQC4229 | 900 kW | 4800 N.m | 0.75、0.8225、0.8833、1.132、1.215 |
| ——END—— | |||
General Information of DuraMac ZQC4222 Pump Drives | |||
|---|---|---|---|
| Model | ZQC4222 | Ratio | 0.5909、0.7073、0.8421、0.9444 |
| Max Input Power | 193 kW | Max Input Torque | 800 N.m |
| Max Power of Single Pump | 115 kW | Rated Torque of Single Pump | 340 N.m |
| Rated Input Speed | 2300 RPM | ||
| ——END—— | |||

Characteristics of Pump Drives | |||
|---|---|---|---|
| Low power consumption & high efficiency design | Reliable lubrication and heat radiation method | ||
| High-tech transfer | Low noise,low temperature rising & high carrying capacity | ||
| Applicable for hydraulic oil pump of construction machinery,Crane and pavers. | |||
| ——END—— | |||

Note: All Above Data are Just for Reference, All Data Might Change Without Notices or Updates, Please Contact Our Sales Team to Confirm All Details Via WhatsApp or Email.

Sale Manual

Installation Drawing

Installation Manual

Operation Manual

Parts Catalogue




