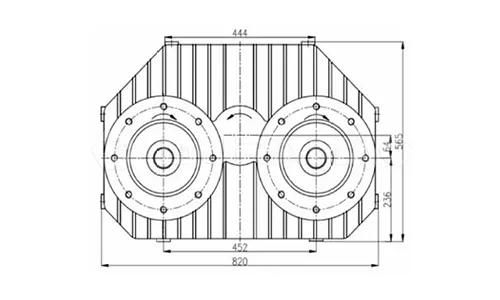
DuraMac One Input Two Output ZQC4227

ZQC4227 delivers robust core performance, with a maximum input torque of 3300 N.m and a rated input speed of 2200 RPM, effortlessly meeting power transmission demands in high-intensity work scenarios. Its precision gear ratio design offers a range of optional ratios: 0.7090, 0.7736, 0.8431, 1.0889, 1.186, and 1.41, enabling flexible matching of power output and transmission efficiency across diverse operating conditions.

In terms of power capacity, ZQC4227 boasts a maximum input power of 700 kW, while supporting a single pump maximum power of 360 kW and a rated torque of 1750 N.m, perfectly balancing centralized power input and stable hydraulic pump drive.

As part of SinoMac, DuraMac provides complete powertrain that integrated with DCEC engine, Fast-Eaton clutch, FAST-CAT transmission, Dongfeng-DANA axle and Komman air suspension, while the electrification of automobile is the certain future, DuraMac also get involved with EV powertrain system.

We provide full life cycle services for all customers, from design to power system supply, from installation to commissioning, from after-sales service training to spare parts supply, from trouble shooting to overhaul technical support.

Advantages of ZQC4227

  • High-tech transferred: Developed based on introduced international advanced technologies, with mature design and precision manufacturing, guaranteeing superior quality and performance.

  • Low power consumption & high efficiency design: Optimized transmission structure ensures sufficient power transfer, minimizes energy loss, and achieves better economic efficiency.

  • Reliable lubrication and heat radiation method: Equipped with stable lubrication system and efficient heat dissipation design to maintain steady operation under long-term heavy load, reducing wear and failure rate.

  • Low noise, low temperature rising & high carrying capacity: Precision gear meshing and robust structure enable quiet operation, low temperature rise, and strong load-bearing performance to meet high-intensity work demands.

  • Wide applicability: Specifically designed for hydraulic oil pump drives of construction machinery, including cranes, pavers, and other heavy-duty equipment, fitting perfectly in diverse working scenarios.

Technical Specifications

Model:ZQC4227
Ratio:0.7090、0.7736、0.8431、1.0889、1.186、1.41
Max Input Power:700 kW
Max Input Torque:3300 N.m
Max Power of Single Pump:360 kW
Rated Torque of Single Pump:1750 N.m
Rated Input Speed:2200 RPM

coming soon

coming soon

coming soon

DuraMac

DCEC ISL8.9 series automotive engine is four-strokes engine with 102 mm bore and 120 mm stroke, Equipped with Bosch (or BYC or Weifu) pump. engine comes with turbocharger and Air- Air intercooler. The prime power range is from 269 HP to 394 HP.

FIND MORE

Fast Gear

The F6A Series Automated Transmission uses the FAST automatic transmission, has six front gears, the transmission ratio step arrangement is reasonable, has very outstanding fuel economy. Adopt hydraulic automatic transmission. The F6A Series Automated Transmission has six gears, each with a different reduction ratio.

FIND MORE

EV Truck

Electric wheel dump trucks use electricity as a power source, completely abandoning traditional fuel engines. This change enables the vehicle to achieve true “zero emissions” during operation, without the emission of pollutants such as carbon monoxide, nitrogen oxides, and particulate matter in the exhaust gas, greatly reducing the pollution to the atmospheric environment.

FIND MORE

DANA Axle

Applying the advanced technology of DANA with high efficiency, fuel economy, strong load torque, low noise,high reliability, lower procurement cost, low repair cost and lower maintenance cost.

FIND MORE

Datong Gear

The Datong HW25712XSJ Heavy Manual No-Sync Gearbox has a torque of 2500 N.m, a gear ratio range of 14.941-1, an oil capacity of 13 L (13.5 L when equipped with a power take-off), an overall length of 993 mm, and a weight of 428 kg.

FIND MORE

Crane Trucks

The DFZ5258JSQSZ6D truck crane is a powerful and versatile vehicle designed for efficient lifting and transportation tasks. Equipped with a YCS06300-61 engine and a Shaanxi Auto Fast gear : 10JS120TA high-low gear with synchronizer、PTO gearbox, it provides strong and stable power for demanding operations.

FIND MORE

Crane Trucks

The DFZ5258JSQSZ6D truck crane is a powerful and versatile vehicle designed for efficient lifting and transportation tasks. Equipped with a YCS06300-61 engine and a Shaanxi Auto Fast gear : 10JS120TA high-low gear with synchronizer、PTO gearbox, it provides strong and stable power for demanding operations.

FIND MORE

Crane Trucks

The DFZ5258JSQSZ6D truck crane is a powerful and versatile vehicle designed for efficient lifting and transportation tasks. Equipped with a YCS06300-61 engine and a Shaanxi Auto Fast gear : 10JS120TA high-low gear with synchronizer、PTO gearbox, it provides strong and stable power for demanding operations.

FIND MORE

Model

Max Input Power

Max Input Torque

Ratio

ZQC4222193 kW800 N.m0.5909、0.7073、0.8421、0.9444
ZQC4223320 kW1100 N.m0.7142、0.8261、0.9535、1.2105、1.3333、1.4
ZQC4224400 kW1500 N.m0.6552、0.7143、0.7778、1.2857、1.4、1.526
ZQC4225530 kW2300 N.m0.6552、0.7143、0.7778、1.2857、1.4、1.526
ZQC4226500 kW3000 N.m0.5283、0.5385、0.6531、0.7609、0.8837、0.9756
ZQC4227700 kW3300 N.m0.7090、0.7736、0.8431、1.0889、1.186、1.41
ZQC4229900 kW4800 N.m0.75、0.8225、0.8833、1.132、1.215
——END——

General Information of DuraMac ZQC4227 Pump Drives

ModelZQC4227Ratio0.7090、0.7736、0.8431、1.0889、1.186、1.41
Max Input Power700 kWMax Input Torque3300 N.m
Max Power of Single Pump360 kWRated Torque of Single Pump1750 N.m
Rated Input Speed2200 RPM
——END——

Characteristics of Pump Drives

Low power consumption & high efficiency designReliable lubrication and heat radiation method
High-tech transferLow noise,low temperature rising & high carrying capacity
Applicable for hydraulic oil pump of construction machinery,Crane and pavers.
——END——

Note: All Above Data are Just for Reference, All Data Might Change Without Notices or Updates, Please Contact Our Sales Team to Confirm All Details Via WhatsApp or Email.

The picture of Sale Manual showing the accessories and scopes of supply.

Sale Manual

The picture of Installation Drawing showing the accessories and scopes of supply.

Installation Drawing

The picture of Installation Manual showing the accessories and scopes of supply.

Installation Manual

The picture of Operation Manual showing the accessories and scopes of supply.

Operation Manual

The picture of Engine Parts Catalogue showing the accessories and scopes of supply.

Parts Catalogue

The picture of Test Report and Certifcate showing the accessories and scopes of supply.

Report & Certifcate

Global Activity

WhatsApp Online logo

Sales Team


DuraMac Manager-Mr.LeoWhatApp-Icon

DuraMac SalesWhatApp-Icon

Generator-SinoGenWhatApp-Icon

EV System-EVMacWhatApp-Icon

Parts-PartMacWhatApp-Icon


Sales Manager-Mrs.Wendy FuWhatApp-Icon

Sales Director-Mr.Jasper Lee WhatApp-Icon

Shipping ServiceWhatApp-Icon

Contact EMAC Now!

Subscribe To Our Newsletter

Subscribe to get the latest updates from zhugear.com

Welcome on board, we will keep you updated with latest news and business activities!

Pin It on Pinterest